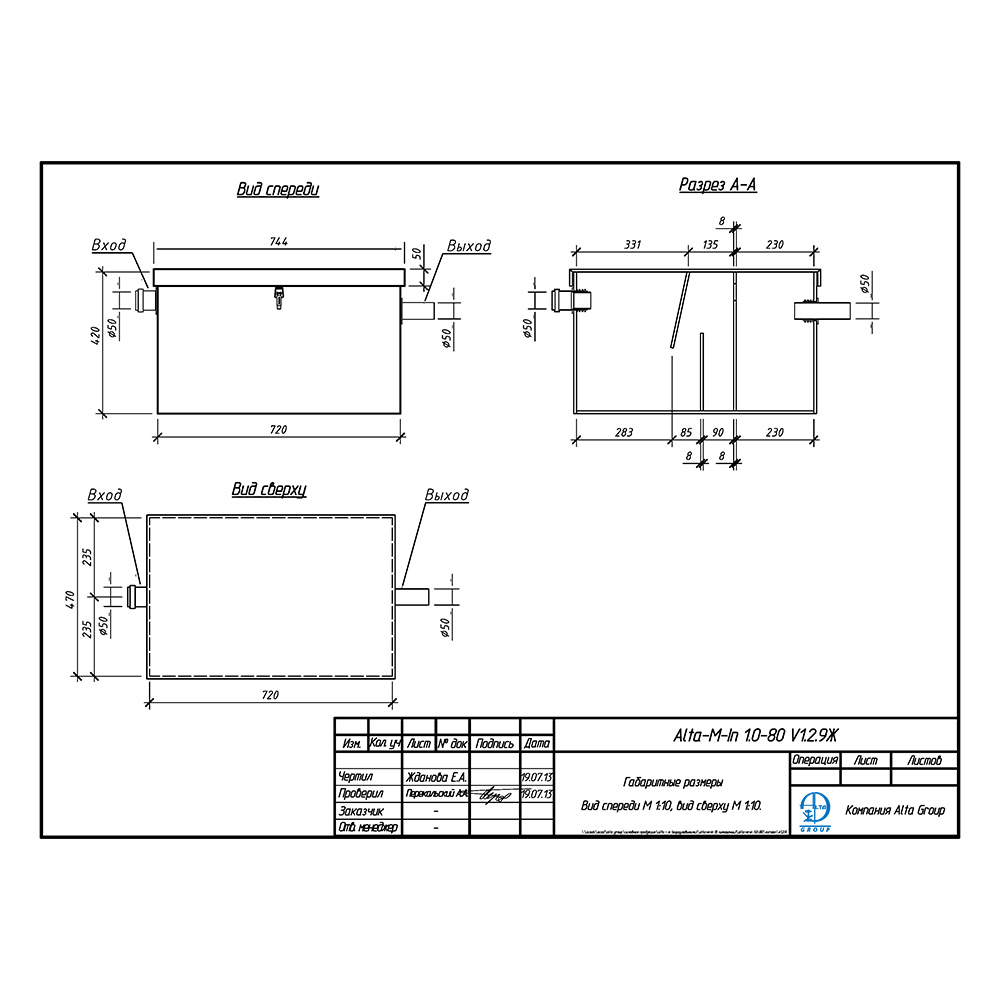
Жироуловитель Alta M 1-80
Вес
16 кг
Габариты
860 × 570 × 450 см
Тип товара
Очистная установка
Бренд
Применение
Коммерческое
Вид
Подмоечный
Размещение
Горизонтальное
Материал
Полипропилен
Залповый сброс
80
Количество камер
3
Резервуар
Накопительный
Мини-септик
Да
Страна-производитель
Россия
Гарантия
24
Вес
16
Жироуловитель под мойку Alta M-In 1.5-175 – это устройство, предназначенное очищать сточные воды от жиров различного происхождения (растительного и животного), поступающих из точек общественного питания: кухонь, кафе, столовых и ресторанов.rnЖироуловитель Alta M-In 1.5-175 имеет небольшие размеры и устанавливается под мойкой до попадания стока в трубопровод канализации.
Преимущества жироуловителя под мойку Alta M-In 1.5-175
- изготовлен из пищевого пластика;
- разрешено устанавливать непосредственно в помещении кухни предприятий общественного питания;
- качество очистки стока 99%;
- абсолютная герметичность и водонепроницаемость;
- нет ограничения по сбросу бытового мусора;
- энергонезависимый режим работы;
- продуманность конструкции обеспечивает удобный доступ к накопителю жиров;
- компактность и простота жироуловителя снижает расходы на установку и монтаж;
- современные полимерные материалы гарантируют срок эксплуатации более 50-ти лет.
